钜大锂电 | 点击量:0次 | 2018年05月21日
如何自制锂电池3.7v升9v的电路?电路图是什么?
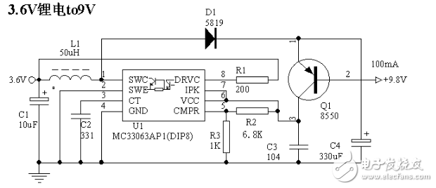
自制锂电3.7v升9v电路图(一)

一款待机功耗极低的一节3.6V锂电池转成9V的升压电路
自制锂电3.7v升9v电路图(二)
充电装置原理电路图所示,最大输出电流为20A,最高充电电压为80V.它可以从0V起进行调节,因此能对各种规格的蓄电池进行充电,还可以对相同规格的蓄电池组或串联蓄电池组进行充电,如最多可对5只串联的12V蓄电池同时进行充电。对串联蓄电池充电,可缩短连线长度,减少线损,连接方便,因此可大幅度提高工作效率。

从图中可知,变压器T为双基极管V1提供工作电压,双基极管V1及相应外围元件组成一个振荡器,振荡频率可由RP1、RP2控制。在本电路中,RP1、RP2取值相差较大,所以在实际工作中,RP2可起粗调作用,RP1起细调作用,这对单个电池充电时尤为重要,可避免损坏蓄电池。由V1产生的振荡脉冲经VD3隔离,触发晶闸管VS,充电电流的大小及电压的高低取决于振荡器的输出脉冲,即由振荡频率决定。R5为取样电阻,其大小视电流表而定,若电流表内带取样电阻,则R5可省去。R6、C2是保护表头用的阻尼元件。
实际选用的元件参数如图,变压器T可用功率为5W、输出电压为24V左右的任何型号的变压器,若输出电压达不到0~80V,最大电流达不到20A,可换用另一只双基极管,也可换用触发灵敏度高一些的晶闸管。特别需要注意的是:相线和零线要按图中连接;实际操作时,一定要接好电池后才可接通电源;充电结束后,应先切断电源,再拆除电池的连线。本机的缺点是对电网的干扰较大,有条件的话,可制作一个大功率的滤波器,以减少对电网的干扰。
自制锂电3.7v升9v电路图(三)
如图为锂电池快速自动充电器电路。锂电池可大电流充电,但单节锂电池的充电电压最大值不能超过4.2V,若超过4.5V,就可能造成永久性损坏。锂电池的放电电压不得低于2.2V,否则也将可能造成永久性损坏。该电路采用了LM3420—8.4专用锂电池充电控制器。当电池组电压低于8.4V时,LM3420输出端①脚(OUT)无输出电流,晶体管Q2截止,因此,电压可调稳压器LM317输出恒定电流,其电流值取决于RL的取值。

LM317额定电流为1.5A,若需要更大的充电电流,可选用LM338或LM350。充电过程中,电池电压会不断上升。电池电压被LM3420的输入脚④(IN)检测,当电池电压升到8.4V(两节锂电池)时,LM3420输出端①脚有输出电压,使Q2控制LM317转入恒压充电过程,电池电压稳定在8.4V,此后充电电流开始减小,锂电池充足电后,充电电流下降到涓流充电。
当输入电压中断后,晶体管Q1截止,电池组与LM3420断开,二极管D1的作用可避免电池通过LM317放电。
下一篇:全固态锂电池怎么分类?










