钜大锂电 | 点击量:0次 | 2018年05月14日
锂离子电池的开发历史
锂电池登场20多年来,不仅得到便携式终端的采用,还在向电动汽车、家用蓄电池等众多领域拓展。今后,随着应用范围越来越广泛,掌握锂电池知识估计将会成为技术人员的必备条件。本连载将通过刊载锂电池之父——西美绪在《日经电子》上发表的文章,为您介绍锂电池开发史和发展历程。
恕笔者提一则旧闻,2004年1月11日的《朝日新闻》(东京版)刊登了这样一条消息。大阪府警察以涉嫌盗窃为由,检举了大阪府守口市的一名公司员工和枚方市的一名大学生。警方指控二人“盗窃电气制品”,笔者原以为他们从电器行顺手牵羊地摸走了电器之类的商品,但其实并非如此。那么,他们究竟偷了什么?
没了电池的手机只是块板砖
其实,他们是从室外的插座“偷了电”。虽然涉案总金额统共只有1日元左右,但秉持不纵容违法的态度,警察还是对二人分别依法进行了缉捕。
经调查,上述公司员工涉嫌使用门真市某餐厅的招牌用插座,为手机冲了大约5分钟电。上述大学生则是在京阪电铁的枚方市站前表演舞蹈时,把超市自动售货机的插头从插座上拔下,插到了自带的播放音乐的收录两用机上,从而构成了偷电行为。这两起事件的起因都是因为电池耗尽。
这则报道告诉人们,在便携式产品流行的现代,作为电源的电池,尤其是二次电池已经成为了不可或缺的存在。也就是说,“手机如果没了电池,只是一块板砖”。
笔者希望通过本文,为大家介绍如今在二次电池中占据首要地位、在不久的将来还有望成为电动汽车动力源的锂电池(以下简称:LIB)。
从干电池到二次电池
二次电池被广泛运用的历史并不长。东京通信工业(现索尼)推出日本第一台晶体管收音机“TR-55”是在1955年,当时使用的是一次电池,也就是干电池(图1)。之后,该公司又在1957年为小型收音机开发出了电压为9V的干电池“006P”(图2)。这种电池由6个小拇指尖大小的干电池在方形筒中叠加而成。006P电池现在依然是无线电遥控车等常用的电源。索尼在电池领域起步虽晚,却在半个世纪前,出人意料地机型了一项重要的商品开发。

图1:世界上第一台晶体管收音机“TR-55”
东京通信工业于1955年推出。内置干电池。(供图:索尼)

图2:9V干电池“006P”
为1957年上市的晶体管收音机“TR-63”开发。现在也应用于无线电遥控车等产品。
在晶体管收音机之后,得到广泛普及的便携式产品应该是收录两用机。1963年,日立制作所推出了收音机与开放卷轴录音机二合一的产品。这据说是日本的第一台收录两用机。最初的“卡带录音机+收音机”在1968年由爱华(AIWA)制造,以此为契机,各大家电制造企业相继在1970年代向市场投放商品。收录两用机当时也是以干电池为电源,因为安装了多节大块头的1号、2号干电池,所以分量相当重。
谈到重量,就不能不提初期的家用摄像机的电池。从1970年代中期开始,摄像机走进了家庭。当时,虽说是家用,但摄像机的体型大,能够驱动这个大家伙的二次电池,只有大块头的铅蓄电池。成本可能也限制了选择的范围。在当时,镍镉(以下称:Ni-Cd)电池还非常昂贵。
摄像机用铅蓄电池的尺寸与一条栗羊羹相仿,曾被戏称为“栗羊羹电池”。原本就十分笨重的摄像机再装上沉甸甸的栗羊羹电池,重到让人用起来难免会闪到腰。当时的二次电池背负着“三重苦”,也就是“重”、“不耐用(电池电量耗尽快)”、“充电时间长”的课题,在移动产品时代的入口徘徊不前。
从1960年代后半段开始,使用卡带的小型磁带录音机、FM收音机、微型电视等便携式电子产品不断涌现,绝大多数产品使用一次电池,很少见到二次电池的身影。
然而,随着这些产品使用频率的增加,一次电池给用户造成了沉重的成本负担。这使得人们寄望于二次电池,开始把目光对准了“摆脱三重苦”。
对于二次电池小型化、高性能的要求日渐增强是在便携式音乐播放器流行(“Walkman”于1979年登场)、8mm录像带登场(1985年)的时候。当时,AV产品向小型化发展,在室外使用已经变得司空见惯。
Ni-Cd电池实现普及
当时,Ni-Cd电池取代铅蓄电池成为了电池的主角。便携式音乐播放器开始使用俗称为口香糖电池的超薄电池,摄像机使用的小型Ni-Cd电池组也登上了历史舞台。
这要归功于Ni-Cd电池的容量实现了显著提升。举例来说,索尼第一台8mm摄像机使用的二次电池组型号为“NP-55”,使用5节略短于5号干电池的Ni-Cd电池。在1985年上市时,容量约为700mAh,顺应高容量化的呼声,索尼对电池进行改进,到1989年,电池容量增加到了1300mAh(图3)。

图3:二次电池组“NP-55”的容量变迁
NP-55由5节Ni-Cd电池组成,得到了索尼第一台8mm摄像机的采用。1985年上市之时的容量约为700mAh,1989年达到了1300mAh。
容量密度的提高得益于众多的技术革新,其代表之一是下面介绍的发泡镍基板。Ni-Cd电池的电极基板最初使用镍的烧结体(烧结式镍),之后开始采用发泡镍基板。后者以聚氨酯泡沫和高分子纤维无纺布为起始原料。
无纺布首先经过无电电镀获得导电性,接着经过通常电镀,在表面附着镍,然后在高温下煅烧。完成煅烧后,聚氨酯树脂等基材将会消失,只留下镍骨架。高分子基材原本具备的空隙原封不动,制成的电极基板的多孔度非常高。空隙率从过去烧结式的80%增至最大98%,革命性地提高了活性物质*的填充率。通过采用这种电极,容量大约可提高30%。
*活性物质=参与发电反应的正极和负极的物质。电池是将正极与负极发生化学反应产生的能量转化为电能输出的装置,参与化学反应的物质叫作正极活性物质、负极活性物质。比方说,Ni-Cd电池的正极活性物质是NiOOH(氢氧化镍),负极活性物质是Cd(镉)。
发泡镍基板登场是在1980年代后半段,而索尼在1970年代前半段,其实已经在着手开发同类技术。当时,索尼还将台式计算器(与现在的计算器判若两物的大型设备)商品化,内置Ni-Cd电池作为电源。为实现电池的轻量化,该电池也使用了经过无电电镀和通常电镀处理的无纺布作为基板。但遗憾的是我们没有想到通过煅烧的方式清除无纺布基材。
不过,塞翁失马焉知非福。如果我们的电极发展到了采用发泡镍基板的程度,Ni-Cd电池(还有之后的Ni-MH电池)或许将会成为索尼电池的主力商品,使日后LIB的开发大幅延后。毕竟索尼是因为当时没有强有力的二次电池商品,才把精力投入到了开发新型二次电池LIB。
现在回过头来说摄像机用电源,摄像机对于电池增加容量的要求越来越高。
在图3中,1985~1989年的5年间,Ni-Cd电池能量密度提升率达到了每年15~20%。但容量依然不足,进入1990年后,电池性能还需要以相同的速度继续提升。
但根据以往经验,二次电池技术“可达成的容量仅为理论容量的1/5左右”,按照这个规律计算,在1990年,Ni-Cd电池技术已经基本达到了极限。之后如果不开发新电池,就无法满足产品的需求。
而且,Ni-Cd电池还面临着另一大阻碍——镉的环境危害。各位读者应该听说过镉引发的“痛痛病”。这种疾病发病于流经富山县的神通川流域的居民,在国际上也相当出名,英语甚至沿用日语叫法,称其为itai-itaidisease。镉已经成为了人尽皆知的有害物质注1)。因此,电池企业被迫要尽快摆脱Ni-Cd电池。
注1)因其他镉污染地区没有出现患者,也有看法认为镉并不是患病的唯一原因。
高性能二次电池期待论
既然Ni-Cd电池行不通,那就必须开发新型二次电池。高能量密度电池的需求早已有之。
举例来说,大正末年,丰田佐吉曾向帝国发明协会悬赏。“向开发出输出功率为100马力,能够36小时连续运行,重量在60贯以下,体积在10立方尺以下的电池的日本人奖励100万日元”——按照当时的金价换算,这笔奖金大约相当于现在的约20亿日元,简直是一个天文数字。
旧度量衡的1马力=761.2W,如果把上面提到的电池的性能换算为ISO的单位,单位重量、单位体积的能量密度分别为9850Wh/L以上,以及12180Wh/kg以上,功率密度分别为2820W/L以上,以及340W/kg以上。
在功率密度方面,LIB满足了要求,问题是能量密度。现在的LIB的能量密度也才600Wh/L、210Wh/kg左右,由此可见佐吉的要求有多么离谱。令人不禁猜测,是不是因为实现不了,所以才夸下了重奖20亿日元的海口。
暂且不论要求能否实现,从1980年代后半段开始,追求高能量密度电池的呼声愈发响亮。如上所述,因为预测到Ni-Cd电池终有一天将无法满足摄像机的要求,电池企业很早就提前准备,开始着手开发新型二次电池。顺应这一潮流,Ni-MH电池(镍氢电池)于1990年,LIB于1991年应运而生。
Ni-MH电池登场
Ni-MH电池的关注点锁定在氢的理论容量密度*。氢作为电池负极时,理论容量密度为26316mAh/g,是一种优秀的电极材料。与之相比,锂(Li)为3861mAh/g,镉为477mAh/g,可见氢的潜能巨大。
问题最终归结到了以怎样的形态使用氢。比方说,把10L氢气(相当于大约2170Ah)罐装到高压缸(200kg/cm2)中,体积会缩小到50mL,虽说体积小,但200个大气压的高压容器最好避免搬运。还有方法能够把10L氢气压缩到13mL。那就是-250℃的液态氢,但把这种形态运用于电池也不实际。
*理论容量密度=每种物质的发电容量。单位重量(体积)的活性物质能够产生的电量取决于物质的原子量(化合物则为分子量)及其转化为离子时的化学价。因此,物质确定后,能够实现的发电量也将一并确定。这叫作理论容量。
与上面两种形态相比,还有更方便的形态——贮氢合金。比如说,LaNi5合金能够与氢形成化合物LaNi5H5.7,在体积为7.5mL的合金中吸贮10L氢气。压缩率能够达到1/1300左右。不过,在这种形态下,单位重量的理论容量密度为366mAh/g,与氢本身的26316mAh/g相比,骤减到了1/70以下。这是因为LaNi5H5.7的分子量非常大,大约为438。但贮氢合金还是为氢充当电极活性物质铺平道路,使Ni-MH电池于1990年实现了商品化。
有望实现大容量的锂负极
虽然实力赶不上氢,但使用锂作为负极,单位重量、单位体积的理论容量密度也达到了3861mAh/g、2062mAh/m2。而且,标准单极电位(以标准氢电极为准)高达-3.04V,实现了非常高的绝对值。也就是说,以锂为负极的电池可以提高端子电压,如果用电量(Wh)来表示能量密度,其数值将会增大。实际上,作为使用金属锂作为负极的电池,纽扣型锂电池很早就投入了实用。这是正极使用二氧化锰(MnO2),负极使用锂的一次电池,在存储器备份电源等用途得到了广泛运用。
锂电池的特点如下:
①电压高达3.0V
②能量密度大
③自放电少
④工作温度范围大
不只是电池技术人员,大家应该都希望直接发挥这些特点,实现锂电池的二次电池化。
但好事多磨,在二次电池化的面前,耸立着巨大的难关。其中,安全性和达不到需要的充放电循环寿命两个课题最难解决。至今仍未找到答案。

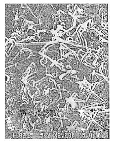
图4:析出的锂枝晶
在反复充放电的过程中,针状的金属锂不断生长。
原因出在充电时生长的锂枝晶(树枝状结晶)。图4展示了充电时析出的锂的形状,从图中不难看出将其称之为树枝状结晶或是针状结晶的理由。结晶针会穿透隔膜,造成内部短路,给安全性造成威胁,或是从电极上脱落,导致容量降低,也就是循环劣化。
那么,同样使用金属负极的Ni-Cd电池是不是不会发生这种问题?镉的放电生成物——CdO(氧化镉)或Cd(OH)2(氢氧化镉)不溶于电解液,会停留在原位,在电极上生成。因此充电后,会在原地重新转化成镉。
就负极的金属材料而言,锌(Zn)远比镉优秀。锌单位重量的电容量约是Cd的1.7倍,单位体积的电容量约是1.4倍。而且,在正极活性物质相同的情况下,锌的电池电压可以高出约0.4V。这就是干电池、氧化银电池等一次电池采用锌作为负极的原因。
但锌负极在运用于二次电池的时候,会像锂一样发生枝晶问题。图5通过模式图,展示了镉和锌的电解析出机制。使用锌作为负极时,放电生成物ZnO(氧化锌)以锌酸根离子ZnO22-的形态溶于电解液,从而生成枝晶。虽然在充电时,锌会重新析出,但此时的锌无法回到原位,会在容易析出的位置电解析出。开始析出后,以尖端部位为活性点,析出将连续进行,树枝状的电解析出物——枝晶不断生长。倘若没有这种现象,Ni-Cd即使不存在公害问题,估计也已经被Ni-Zn取而代之。

图5:充放电使负极上生成枝晶的机制
镉的放电生成物不溶于电解液,在电极上堆积,充电后重新转化为镉。锌的放电生成物溶于电解液,充电时以枝晶的形态析出。
使用锂作为负极时,放电生成物也会溶解于电解液,因此会和锌一样,出现由析出机特种致的枝晶问题。无论是锂还是锌,目前都没有防范枝晶的有效手段。因此,使用锂负极的二次电池还必须等到LIB完成之后才能登场。
下一篇:锂电池的开发史——电极材料的选择










