钜大锂电 | 点击量:0次 | 2018年05月13日
基于TP4056的锂电池充电模块电路怎么样?
TP4056是一款完整的单节锂离子电池采用恒定电流/恒定电压线性充电器。其底部带有散热片的SOP8封装与较少的外部元件数目使得TP4056成为便携式应用的理想选择。TP4056可以适合USB电源和适配器电源工作。
TP4056特点
高达1000mA的可编程充电电流无需MOSFET、检测电阻器或隔离二极管用于单节锂离子电池、采用SOP封装的完整线性充电器恒定电流/恒定电压操作,并具有可在无过热危险的情况下实现充电速率最大化的热调节功能
精度达到±1.5%的4.2V预设充电电压
用于电池电量检测的充电电流监控器输出
自动再充电
充电状态双输出、无电池和故障状态显示
C/10充电终止
待机模式下的供电电流为55uA
2.9V涓流充电器件版本软启动限制了浪涌电流
电池温度监测功能采用8引脚SOP-PP封装。
TP4056引脚及功能

TEMP(引脚1:):电池温度检测输入端电池温度检测输入端电池温度检测输入端。将TEMP管脚接到电池的NTC传感器的输出端。如果TEMP管脚的电压小于输入电压的45%或者大于输入电压的80%,意味着电池温度过低或过高,则充电被暂停。
如果TEMP直接接GND,电池温度检测功能取消,其他充电功能正常。
PROG(引脚2):恒流充电电流设置和充电电流监测端电流监测端。从PROG管脚连接一个外部电阻到地端可以对充电电流进行编程。在预充电阶段,此管脚的电压被调制在0.1V;在恒流充电阶段,此管脚的电压被固定在1V。在充电状态的所有模式,测量该管脚的电压都可以根据下面的公式来估算充电电流:

GND(引脚3:):电源地。
Vcc(引脚4):输入电压正输入端输入电压正输入端。。此管脚的电压为内部电路的工作电源。当Vcc与BAT管脚的电压差小于30mV时,TP4056将进入低功耗的停机模式,此时BAT管脚的电流小于2uA。
BAT(引脚5):电池连接端电池连接端电池连接端。将电池的正端连接到此管脚。在芯片被禁止工作或者睡眠模式,BAT管脚的漏电流小于2uA。BAT管脚向电池提供充电电流和4.2V的限制电压。被内部开关拉到低电平,表示充电完成。
(引脚7)漏极开路输出的充电状态指示端指示端。当充电器向电池充电时,管脚处于高阻态。
CE(引脚8)芯片始能输入端芯片始能输入端。高输入电平将使TP4056处于正常工作状态;低输入电平使TP4056处于被禁止充电状态。CE管脚可以被TTL电平或者CMOS电平驱动。
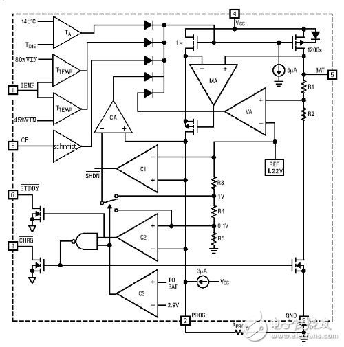
TP4056方框图

基于TP4056的锂电池充电模块电路

上一篇:锂电池为什么会鼓包?
下一篇:锂电池卷绕机主要组成部分是什么?










