钜大锂电 | 点击量:0次 | 2018年05月13日
锂离子电池组监测电路如何设计?
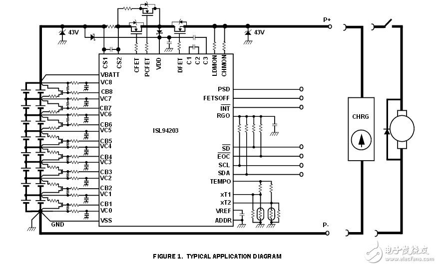
Intersil的ISL94203EVAL1Z是一个工具包促进测试的ISL94203锂离子电池组监测和控制集成电路。ISL94203监控电池电压,电流和温度。它将电池电压、电流和温度12位数字值,提供平衡控制,提供了完整的独立的电池操作。ISL94203默认独立可以覆盖操作由外部微控制器。PC图形用户界面(GUI)支持所需的钩子监控独立与外部操作和演示操作微控制器。
电路特性
电池电压监测支持锂离子独立包控制——不需要单片机,多种电压以及可编程检测/恢复,满足过电压,欠压、过流和短路条件,在配置维护/校准寄存器,开放电池连接检测,集成充电/放电场效应晶体管驱动电路内置,电荷泵支持高端n沟道场效应晶体管,平衡使用外部场效应晶体管和内部状态机或外部微控制器,时间的不活动后进入低功耗状态。充电或放电电流检测恢复正常扫描率。

功能描述
这种集成电路的目的是成为一个独立的电池监视器,所以它没有使用一个提供监控和保护功能外部微控制器。定位部分的功率控制场效应晶体管偏高内置充电泵驱动n沟道场效应晶体管。当前的检测电阻也偏高。权力是最小化各领域,部分电路供电大多数的时间,延长电池寿命。在同一时间、RGO输出停留在任何连接单片机可以大部分时间仍在。ISL94203包括:输入电平位移器,使监测电池堆栈电压,14位ADC转换器,电压读数修剪和结果保存为12位,1.8v电压参考(0.8%准确),.5v调节器,volt年龄保持在睡眠中
电源路径连接

上图显示了一个主电源路径连接充电/放电路径。
锂离子电池组监测电路设计

上图显示了连接单独的充电/放电路径。
上一篇:锂离子电池组内短路保护如何实现?
下一篇:全固态电池好不好?
                                
                                
                        
                        
                        
                        









