钜大锂电 | 点击量:0次 | 2018年05月09日
单体电池电压含义 单体电池电压检测技术
一、引言
随着纯电动车及混合动力车的发展,作为重要储能设备的串联电池组是影响整车性能的一个关键因素。
延长电池寿命,提高电池的使用效率是电动汽车商品化、实用化的关键。由于水桶效应的存在,串联电池组的整体性能取决于电池组中性能最差的单体电池,为了能够对串联电池组的能量使用进行有效管理,需要实时监视串联电池组中的单体电池状态。在表征电池状态的参数中,电池的端电压最能体现其工作状态,因此精确采集电池组中各个单体电池电压十分重要。
二、现有单体电池检测方法
目前单体电池电压测量方法有许多,主要可归纳为分压电阻降压、浮动地测量、模拟开关选通等几种方法,下面就这些方法做一个分析:
1、电阻分压法
电阻分压法主要是通过电阻分压将实际电压衰减到测量芯片可接受的电压范围,然后进行模数转换。U1对应BT1的电压,Un-1对应从BT1到BTn-1之间的电压,Un对应整个电池组的电压,如图1所示。这种方法测量方面,成本低,寿命长,但是存在累积误差,且无法消除。随着单体电池数的增多,单体电池电压测量误差会随着共模电压的增大而增大。

图1 电阻分压方案
2、浮动地测量法
使用浮动地技术测量电池端电压时,窗口比较器会自动判断当前低电位是否合适。如果合适直接启动模数转换进行测量;如果太高或太低,则通过微控制器经数模对低电位进行浮动控制使低电位处于合适的状态下。该方案由于低电位经常受现场干扰而变化,不能对低电位进行精确控制,影响整个系统的测量效果。
3、模拟开关法
采用模拟开关的方案通过模拟开关选择测量通道,每个通道采用运算放大器组成线性采样电路。当选中需要进行测量的通道后,模拟开关的输出经电压跟随器送入模数转换器进行模数转换。该方法根据串联电池组总电压的大小,选择适当的放大倍数,不必电阻分压网络或改变低电位就可以直接测量任意一只电池的电压,测量方便。但是该方法需要数量众多的运放和精密匹配电阻,成本高,且电阻的分散性会导致测量结果分散性较高。
文献[4]提出采用开关矩阵构建测量电路,该方案成本低,测量精度高,但是需要绝对值电路。文献[5]采用运算放大器结合继电器的方法,可以克服温漂问题,但是与采用模拟开关的方法一样,也需要大量的运算放大器和继电器,且继电器会有寿命问题。
三、新型单体电池电压检测方法
1、整体方案
由于差分放大器可以克服共模信号的干扰,而只对差分信号进行处理。利用开关矩阵把每个单体电池的两端引出,即可进行端电压的测量而不受到其它电池的影响。该方案整体结构如图2所示,当SB1和SB2闭合时,其它开关都关断,电池BT1的两端电位分别接入差分放大器的正端和负端,经过差分放大器放大后送入模数转换器进行模数转换;当SB2和SB3闭合而其它开关都关断时,电池BT2的两端电位进行差分放大器的正端和负端,依次类推可以测量所有电池组中的单体电池电压。

图2 拓扑图
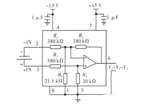
每节锂离子电池最高电压为5V,由图3可得,第1个INA117的3脚的输入电势最高为40V.同理,第16个INA117的2脚输入电势最低为-40V.第1至8个INA117的输出电压为正,第9至16个INA117的输出电压为负,所以多选一模拟开关和A/D转换器都要求可以输入正、负电压。多选一模拟开关选用MUX16,为16选1可正负电压输入模拟开关,因此16节电池只需1个MUX16.但由于单片机IO口有限,文中用一片74LS154扩展了IO口,仅用单片机的4个IO口即可控制MUX16分别选通单节锂离子电池进行电压采样。

图3 16个INA117的共地点接法
1.3A/D转换器
监测电池组无需用很高的采样速度采样每节电池的电压,16节电池电压的采样共用1个A/D转换器[4]。各节电池输入的测量电压通过多选一模拟开关MUX16与A/D转换器连接。根据电池电压的更新周期和电压要求,A/D转换器传送给单片机的电压转换值误差最大为10mV.选择美信公司MAX1272.
MAX1272是具有故障保护、可通过软件选择输入范围的12位串行模拟数字转换器,使用SPI三线通信协议,+5V供电,模拟输入电压范围0~10V,0~5V,±10V,±5V.内部自带+4.096V参考电压。当采用内部+4.096V参考电压时,理想情况下模拟电压输入对应的数字输出,如表1所示。

表1 理想情况下模拟电压输入对应的数字输出
由表1可知,MAX1272输出的数字量最高位是符号位,余下的11位是数据。负数以补码的形式给出。
参考电压为+4.096V时,1LSB=1.2207mV.
MAX1272的最大量化误差,加上非线性、失调等误差的影响,总误差约为5mV.INA117精度高,正常情况下,误差在1mV以内。因此,使用INA117和MAX1272的组合,可以满足串联锂离子电池组电池监测系统在电压误差10mV以下的要求。需要更高的电压精度,需要选用更高分辨率的A/D转换器。
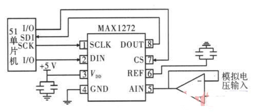
MAX1272的线路连接图如图4所示。

图4 MAX1272的线路连接图
图4中MAX1272采用了内部参考电压,6脚VREF和地之间接2.2μF钽电容和0.1μF陶瓷电容。
PCB布线时,这两个电容都要求尽量接近MAX1272。
1.4温度监测
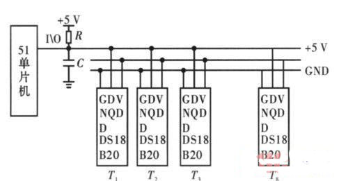
针对串联电池组,传统的测温方法多采用模拟温度传感器进行测量,在数据的采集和传输过程中易受外界环境的干扰,从而使测得的结果误差较大,且当测量点较多时,连线较复杂。文中采用单片机和单总线数字式温度传感器DS18B20来解决上述问题[5].其原理如图5所示。

图5 温度巡回检测系统框图
采用外部5V供电,总线上可挂接多片DS18B20,且可以同时进行精确的温度转换,而无需外接驱动电路。测温范围-55~+125℃;测温精度:在-10~+85℃范围内的精度为±0.5℃;在温度采集过程中,单片机芯片需对DS18B20发命令字,同时也需要读取由DS18B20采集到的温度。因此,单片机控制器的I/O必须被设置为具有双向传输数据能力。
本检测系统每隔一节锂离子电池在总线上挂接一片DS18B20,设置8个温度监测点,同时检测8点温度。实际应用时由单片机软件判断出需要显示的温度值:当温度高于10℃时,显示8个温度点中最高的温度值;当温度低于10℃时,显示8个温度点中最低的温度值,达到有效合理的温度监控效果。
1.5风扇及加热控制电路
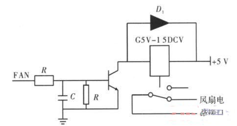
对于电池的散热问题,设计了风扇控制电路,通过对测量到的电池温度值进行判断,决定风扇的开启或关闭。当温度过高时,单片机将发出信号开启风扇。
电路如图6所示,FAN为低电平时,晶体管9014不导通,此时继电器无动作;当FAN为高电平时,晶体管9014导通,使得继电器触点吸合,风扇在24V电源电压的供电下开始工作。

图6 风扇控制电路
对于应用环境复杂的串联锂离子电池组,除了要考虑温度过高的情况,还要考虑温度过低的情况。因为电池在温度过低的环境下运行时,会使锂离子活性变差,嵌入和脱出能力下降,容易在石墨晶体表面沉积,形成锂金属。形成的锂金属会与电解液发生不可逆的反应。
如果锂离子电池长期在低温下工作,则将使电池的容量下降明显。因此根据需要设计了加热器控制电路,原理如风扇控制电路。
2监测系统的性能
实测证明,使用INA117、16选1模拟开关MUX16、MAX1272、51单片机和DS18B20的串联锂离子电池组监测系统监测16节3.7V锂离子电池,电压的测量误差完全在10mV以内。温度方面,由于DS18B20精度较高,温度误差在1℃以内。电压和温度的测量均达到要求,系统运行可靠。当串联锂离子电池组任何一节电池电压<2.2V时,单片机调用轻度报警程序进行声光报警,并通报存在问题的电池。
当串联锂离子电池组任何一节电池电压>5V时,单片机调用严重报警程序进行声光报警。如果温度值超出预设温度值的容许范围,串联锂离子电池组监测系统进行声光报警。风扇和加热控制电路均能根据设定温度正常启动控制电路。当温度低于5℃时,启动加热控制电路;温度高于50℃时,启动风扇控制电路。
3结束语
串联锂离子电池组检测系统,采用高共模抑制比差分运放INA117解决了共地问题,监测电压误差正负10mV,如要进一步提高检测精度,可以选用高位A/D转换器。检测时,锂离子电池是串联接在检测模块上的,要保证接线正确。根据实际应用,可把几个检测系统串接起来检测更多的串联锂离子电池组,但要确保共模电压不超过INA117的最大保护共模电压范围。
上一篇:可循环充电超万次锰氢气电池问世










