钜大锂电 | 点击量:0次 | 2018年05月09日
怎么检测锂电池的保护板好坏状况?
锂电池保护板是对串联锂电池组的充放电保护;在充满电时能保证各单体电池之间的电压差异小于设定值(一般±20mV),实现电池组各单体电池的均充,有效地改善了串联充电方式下的充电效果;同时检测电池组中各个单体电池的过压、欠压、过流、短路、过温状态,保护并延长电池使用寿命;欠压保护使每一单节电池在放电使用时避免电池因过放电而损坏。
锂电池保护板的工作原理
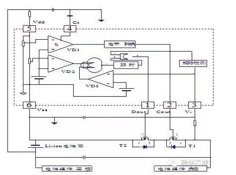
保护板的工作原理图:

如图中,IC由电芯供电,电压在2v-5v均能保证可靠工作。
1、过充保护及过充保护恢复
当电池被充电使电压超过设定值VC(4.25-4.35V,具体过充保护电压取决于IC)后,VD1翻转使Cout变为低电平,T1截止,充电停止。当电池电压回落至VCR(3.8-4.1V,具体过充保护恢复电压取决于IC)时,Cout变为高电平,T1导通充电继续,VCR必须小于VC一个定值,以防止频繁跳变。
2、过放保护及过放保护恢复
当电池电压因放电而降低至设定值VD(2.3-2.5V,具体过充保护电压取决于IC)时,VD2翻转,以短时间延时后,使Dout变为低电平,T2截止,放电停止,当电池被置于充电时,内部或门被翻转而使T2再次导通为下次放电作好准备。
3、过流、短路保护
当电路充放回路电流超过设定值或被短路时,短路检测电路动作,使MOS管关断,电流截止。
锂电池保护板常见故障
1、无显示、输出电压低、带不起负载
2、不充电
3、无内阻、内阻大
4、无电阻
5、过流大
6、不解码
锂电池保护板好坏检测
一、确保采样线(排线)接法正确。
以7串电池8pin线做个示例
B-线接电池总负极
B1线接第1串电池正极
B2线接第2串电池正极
B3线接第3串电池正极
B4线接第4串电池正极
B5线接第5串电池正极
B6线接第6串电池正极
B7线接第7串电池正极
PS:7串电池第7串的电池正极也是总正极,同理可类推到任何串电池组上。


二、通过万用表确定电池排线接线正确
三、测量电压正常后,将排线插上保护板,测量保护板B-和P-之间的电阻,电阻是0,则说明他们之前畅通无阻,保护板是好的。
四、或者可通过接上B-线,测量B-和电池总正极的电压和P-和电池总正极的电压。电压一致,说明保护板正常(保护板相当于开关,开关已经打开,电流可安全通过)示例测试得:B-到电池总正极电压是25.11VP-到电池总正极电压是25.11V。两个电压一致表示保护板正常。如果P-通过大电流放电,会有轻微压降,保护板发热(50度左右),属于正常现象。
检测锂电池保护板的注意事项
1、测量每串电压时表笔放正确,碰到一起会短路冒烟
2、接保护板时,一定要先接好排线再插好保护板,插好好保护板接可能导致烧坏保护板










