钜大锂电 | 点击量:0次 | 2018年07月27日
分析电动汽车V2G系统中的漏电问题
V2G的核心思想就是利用大量电动汽车的储能源作为电网和可再生能源的缓冲,当电网负荷过高时,由电动汽车储能源向电网馈电,而当电网负荷过低时,用来存储电网过剩的发电量,避免造成浪费。
随着电动汽车的飞速发展,V2G的概念被不断提及,其核心思想就是利用大量电动汽车的储能源作为电网和可再生能源的缓冲,当电网负荷过高时,由电动汽车储能源向电网馈电,而当电网负荷过低时,用来存储电网过剩的发电量,避免造成浪费。通过这种方式,电动汽车用户可以在电价低时,从电网买电,在电价高时,向电网售电获得收益。同时,在遇到突发事件如战争、自然灾害的时候,大量的电动汽车还可以成为应急电站,意义重大。有专家核算过,北京2016年8月最大负荷2077万千瓦,如果电动汽车输出功率为7千瓦,300万辆电动汽车可以实现全城保供电。
V2G的关键技术之一便是双向大功率充电机的研制。对整车厂来说,车载充电机要求体积小,重量轻,成本低,可靠性好,目前主流充电机的拓扑结构由三相不可控整流器和高频变压器隔离DC/DC变换器组成,这种带隔离变压器的充电机体积大,变换效率低,成本较高,所以采用非隔离的充电机是目前的主流发展方向。一种双向大功率充电机采用新的拓扑结构如下图所示:

图1一种高效高功率因数充电机拓扑结构
它由前级的三相电压型PWM整流器和后级的电流可逆斩波电路组成。后级的电流可逆斩波DC/DC电路,可以理解为由一个Boost电路和一个Buck电路组成的复合电路,该电路不仅能实现电路的正向流动,还能够实现电流的逆向流动,从而实现整个充电机能量的双向流动。
由于采用了非隔离DC/DC拓扑结构,去掉了高频变压器,提高了变换效率,降低了系统成本和损耗,但我们不得不去考虑的一个情况就是整个系统的漏电问题。双向大功率充电机作为一种复杂的电力电子装置,漏电问题难以避免,需要在设计的时候通过良好的控制策略将漏电大小限制在一定范围内,否则不管是对于电网还是器件本身或者是生命财产安全,都有风险。同时,也需要在漏电超出预期时,采用一个基本保护手段来防范漏电的危害。

图2车载电动机输入控特种引电路
上图是QC/T895-2011《电动汽车用传导式车载充电机》中截取的,反映了电网和充电机连接的一般模型,通过充电线缆向电动汽车车载充电机供电,车载充电机将接入的交流电转换成直流电给蓄电池充电,在向电网馈电时,蓄电池通过车载充电机将直流电转换成交流电通过充电线缆反馈到电网端。供电设备(充电桩)内部安装漏电流保护器对整个电网和电动汽车的能量交换过程进行漏电保护,漏电流保护器又被称为剩余电流保护器(RCD)。RCD就是那个基本保护手段,所以它的可靠性至关重要。
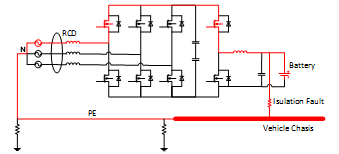
我们都知道,供电系统有三相三线制和三相四线制,国际电工委员会(IEC)规定为TT系统、TN系统、IT系统。我国基本采用TN系统,电动汽车和电网的连接也是采用这种系统。在使用这种双向大功率充电机时,失去了DC/DC隔离变压器的限制,蓄电池率先获得自由,它不再和这个系统隔离。于是,蓄电池在长时间使用过程中,直流母线若发生绝缘故障,漏电就会通过车身接地PE线反馈到交流侧。以蓄电池直流母线正极漏电为例,漏电模型如下图所示:

图3蓄电池正极对地短路漏电模型
可以看到,蓄电池直流母线正极漏电反馈到交流侧构成回路,这种意外的直流电会对整个系统造成影响,如果我们通过对等效电路进行仿真,就会发现整个充电电流发生畸变,导致充电效率降低,甚至减少蓄电池使用寿命。更严重的情况是,如果PE线断开并且接地线缺失,这部分电流就有可能通过人体,对人体造成伤害。如果直流电流入电网,后果更是不堪设想,会对整个配电网络造成危害。因而当发生直流漏电时,必须断开电路,对装置进行检查,检测漏电并断开电路的功能自然是交由剩余电流保护器(RCD)来完成。
根据GB/T18487.1-2015的要求,充电桩内的剩余电流保护器宜采用B型或者A型。A型RCD对工频交流剩余电流、脉动直流剩余电流以及脉动直流剩余电流叠加6mA平滑直流剩余电流确保脱扣;B型RCD包含A型的特性,此外,还能对1000Hz及以下的正弦交流剩余电流、交流剩余电流叠加平滑直流剩余电流、脉动直流剩余电流叠加平滑剩余电流、两相或多相整流电路产生的脉动直流剩余电流、平滑直流剩余电流确保脱扣。可以发现当发生直流漏电时,只有B型RCD才能进行保护。
然而受制于技术和成本,目前国内几乎所有桩内的漏电保护器都是A型,无法对纯直流漏电进行保护。实际上,V2G系统中的漏电成分是非常复杂的,不管是隔离还是非隔离的充电机,都存在着直流漏电的风险,本文着重考虑了在采用非隔离型充电机方案时,由蓄电池带来的直流漏电危害。
在实现电动汽车V2G的进程中,我们需要去考虑如何实现集成化、小型化,同时也要兼顾到整个系统的各个元器件。观察电动汽车领域的现状和未来发展方向,从漏电保护这块来看,我们急需将现在的A型剩余电流保护器升级到B型,这是对整个行业负责任的做法。
Magtron基于iFluxgate技术的SoC芯片整体方案,为B型漏电保护进行了数字化集成,为RCCB从传统的AC型/A型向B型的技术升级,提供了一套高性价比的B型漏电解决方案,为电动汽车充放电安全提供可靠保障。










