钜大锂电 | 点击量:0次 | 2020年05月23日
变频器开关电源应该怎样维修

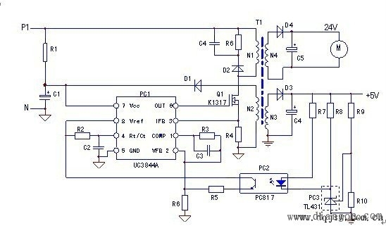
开关电源简化电路图
变频器的开关电源电路完全可以简化为上图电路模型,电路中的关键要素都包含在内了。而任何复杂的开关电源,剔除枝蔓后,也会剩下上图这样的主干。其实在检修中,要具备对复杂电路的“化简”的能力,要在看似杂乱无章的电路伸展中,拈出这几条主要的脉络。要向解牛的庖丁学习,训练自己的眼前不存在什么整体的开关电源电路,只有各部分脉络和脉络的走向——振荡回路、稳压回路、保护回路和负载回路等。
变频器开关电源维修的几个步骤:
1、检测整流电路D1—D4是否击穿或断路,滤波电路的电容是否损坏,平衡电阻R1、R2是否正常,降压电阻R3是否烧断或阻值增大失效(断电情况下测试)。
2、检测开关管b-e结、c-e结是否有击穿短路现象、测量开关变压器各个绕组是否有短路现象,以确定开关管、及开关变压器的好坏(断电情况下测试)。
3、检测次级输出绕组的整流滤波元件,重点察看滤波电容是否鼓包或损坏,以排除次级电路短路的可能。
4、检测吸收回路D5、R11、C9是否正常(断电情况下测试)。
5、在确定上述元件正常的情况下,我们可以把开关电源板从变频器上取下单独对其进行加电试验。用调压器缓缓地调至开关电源的额定电压值,此时应能听到变压器起振时的吱吱声,如没有听到起振的声音,用万用表检测UC3844的电源正、负级之间是否有12V—16V左右的直流电压。
6、在确定UC3844的供电端电压正常后,可用示波器察看一下UC3844的6脚是否有PWM波输出到开关管的触发端(根据电路设计的不同,PWM波的频率一般在20KHZ—100KHZ之间)。
7、如果没有PWM波输出,则更换定时元件C5、R8、C6或UC3844。经过上述几个步骤的排除,开关电源应该可以正常工作了。在德玛变频器中,开关电源的种类很多,但基本原理都是一样的,比如说每个PWM管理芯片都有供电端、定时元件RC网络、输出PWM波的端口等,只要我们了解了它们的工作原理,按照一定的方法步骤都能够把故障排除掉。
下一篇:开关电源的基本知识和主要功能










